推薦產品
聯係我們
RAYBET雷竞技app
電話:0755-23087599
手機:13808858392
郵箱:dunianhua@leweitech.com
地址:深圳市寶安區西鄉鶴洲恒豐工業城B11棟5樓東
XPD911 100W 多口充協議芯片
所屬分類:FM/富滿係列
品牌:FM/富滿
型號:XPD911係列
封裝:QFN32 5*5
功率:65W
電流:5V9V12V15V20V
型號:XPD911係列
封裝:QFN32 5*5
功率:65W
電流:5V9V12V15V20V
訂購熱線:0755-23087599
XPD911是一款同步降壓多口互聯控製器,采用 QFN32(5*5)封裝集成 USB Type-C、USB Power Delivery(PD) 3.1 以及 PPS、QC3.0+/3.0 /2.0 快充協議、華為 FCP/SCP/HVSCP 快充協議、三星 AFC 快充協議、VOOC快充協議、MTK PE 快充協議、BC1.2 DCP 以及蘋果設備 2.4A 充電規範的多功能 USB 三端口控製器,為 AC-DC 適配器、智能排插等設備提供完整的 Type-C 和 Type-A 雙端口充電解決方案。
XPD911 多口充協議芯片集成了 XPD-linkTM 互聯通信專利技術。通過 XPD-linkTM 互聯功能,XPD911 可以簡單靈活地應用在多個 Type-C 和 Type-A 端口的充電方案中。
XPD911 集成同步開關降壓控製器,內置功率 MOS。輸出電壓範圍是 3.3V 到 21V,能提供最大 65W 的輸出功率,能夠根據識別到的快充協議自動調整輸出電壓和電流。
XPD911 多口充協議芯片的輸出具有 CV/CC 特性,當輸出電流小於設定值,輸出 CV 模式,輸出電壓恒定;當輸出電流大於設定值,輸出 CC 模式,輸出電壓降低。XPD911 具有線補功能,隨著輸出電流的增大會相應提高輸出電壓,用以補償充電線纜內阻引起的電壓下降。
XPD911 是前端電源光耦精確調壓,支持 1C1A,當 Type-C 和 Type-A 其中一個端口接入設備時,Type-C 或 Type-A 端口都可以實現獨立的快充功能。當 Type-C 和 Type-A都接入設備時,XPD911 的 Type-A 和 TYPE-C 會將輸出電壓降至 5V 給設備供電。特別的,當 Type-A 或者 Typec 口一直連接蘋果充電線但未接入蘋果手機時,其他口仍然有快充功能。作為充電器應用時,充電線會經常與充電器連接在一起。XPD911 完美解決了 Type-A 和 Type-C 口連接充電線應用時的快充難題。
XPD911NA/XPD911NC/XPD911AA 都是後端 DCDC 精確調壓,XPD911NA 支持1C1A,XPD911NC 支持 2C,XPD911AA 支持 2A,且都能實現互聯功能,為多口應用提供比較簡潔的應用方案;當任意一個端口接入設備時,都可以實現獨立的快充功能;當兩個口都接入設備時,輸出電壓降至 5V 給設備供電。特別的,當 Type-A 或者 Type- C 口一直連接蘋果充電線但未接入蘋果手機時,其他口仍然有快充功能。作為充電器應用時,充電線會經常與充電器連接在一起,XPD911NA/XPD911NC/XPD911AA 完美解決了輸出口連接充電線應用時的快充難題。
XPD911多口充協議芯片具備非常高的可靠性。具有多種保護功能:輸入過壓、欠壓保護,輸出過流、過壓、欠壓、短路打嗝保護等,支持二次燒錄,可實現在線升級。
XPD911 多口充協議芯片特性
■ 支持 USB Type-A 和 Type-C 多口工作模式
- 獨立工作時都有快充
- 多口工作時,都輸出 5V
- A 口或 C 口連接蘋果充電線但未接入蘋果手機時,其他口仍然有快充
■ 集成同步開關降壓轉換器
- 單口工作在直通模式
- 雙口工作在 DCDC 模式
- link 互聯有效時工作在 DCDC 模式
■ 支持 USB Type-C 協議
■ 定製型號支持兩種工作模式
- 輸入電壓動態調整模式(XPD911)
- 輸入電壓固定模式(XPD911NA/XPD911NC/XPD911AA)
■ 支持 USB Power Delivery(PD)3.1 以及PPS 協議
- 通過 PD3.1 認證(TID:)
- PDO 可配置:5V,9V,12V,15V, 20V
- 輸出功率高至 65W
- APDO 可配置:5V Prog,9V Prog,15V Prog,20V Prog
■ 支持 Quick Charge 3.0+/3.0/2.0 協議
- 支持小米 CHARGE TURBO 27W 協議
■ 支持華為 FCP/SCP/HVSCP 協議
■ 支持三星 AFC 協議
■ 支持 VOOC 協議
■ 支持 MTK PE 協議
■ 支持 USB BC1.2 DCP
■ 支持 Apple 2.4A 充電規範
■ 集成 CC、CV 控製環路
■ 支持在線升級功能
■ 支持線損補償功能
■ 支持任意小電流設備
■ 多重保護、高可靠性
- 輸入過壓、欠壓保護
- 輸出過壓、過流保護
- 短路保護
- 過溫保護
- NTC
- 全引腳 ESD 4KV
■ QFN32 5*5 封裝
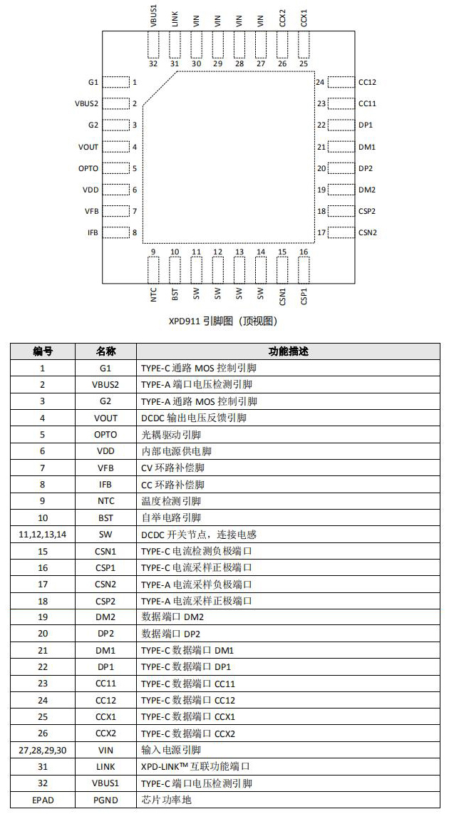
XPD911芯片引腳定義

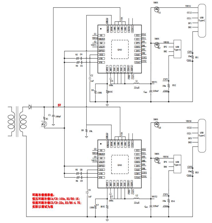
應用電路圖
注:輸入電壓動態調整模式 XPD911(通過光耦調節 ACDC 輸出)

XPD911 互聯應用簡圖
應用領域
■ ACDC 適配器
■ 車充應用
■ 智能排插
■ USB 多口充電設備
XPD911芯片係列訂購信息
| 料號 | PDO 配置和 APDO 配置 | QC 配置 | 封裝 |
| 輸入電壓動態調整型號 | |||
|
XPD911DP6545T |
C 口高功率 PDO:5V/3A,9V/3A,12V/3A,15V/3A,20V/3.25A APDO1:3.3-11V/3A;APDO2:3.3-21V/3A C 口低功率 PDO:5V/3A,9V/3A,12V/3A,15V/3A,20V/2.25A APDO1:3.3-11V/3A;APDO2:3.3-21V/2.25A |
Class B |
QFN32 |
|
XPD911DP6520T |
C 口高功率 PDO:5V/3A,9V/3A,12V/3A,15V/3A,20V/3.25A APDO1:3.3-11V/3A;APDO2:3.3-21V/3A C 口低功率 PDO:5V/3A,9V/2.22A,12V/1.67A APDO1:3.3-11V/2A |
Class B |
|
|
XPD911DP6530T |
C 口高功率 PDO:5V/3A, 9V/3A,12V/3A,15V/3A,20V/2.25A APDO1:3.3-11V/3A;APDO2:3.3-16V/2.8A C 口低功率 PDO: 5V/3A,9V/3A,12V/2.5A,15V/2A,20V/1.5A APDO1:3.3-11V/3A;APDO2:3.3-16V/2A |
Class B |
|
| 輸入電壓固定型號 | |||
|
XPD911NADP6545T |
C 口高功率 PDO:5V/3A, 9V/3A,12V/3A,15V/3A,20V/3.25A APDO1:3.3-11V/3A;APDO2:3.3-21V/3A C 口低功率 PDO:5V/3A,9V/2.22A,12V/1.67A APDO1:3.3-11V/2A |
Class B |
QFN32 |
|
XPD911NADP6520T |
C 口高功率 PDO:5V/3A, 9V/3A,12V/3A,15V/3A,20V/3.25A APDO1:3.3-11V/3A;APDO2:3.3-21V/3A C 口低功率 PDO:5V/3A,9V/3A,12V/3A,15V/3A,20V/2.25A APDO1:3.3-11V/3A;APDO2:3.3-21V/2.25A |
Class B |
|
|
XPD911NCDP6545T |
單 C1/C2 高功率 PDO:5V/3A, 9V/3A,12V/3A,15V/3A,20V/3.25A APDO1:3.3-11V/3A;APDO2:3.3-21V/3A C1/C2 低功率 PDO:5V/3A,9V/3A,12V/3A,15V/3A,20V/2.25A APDO1:3.3-11V/3A;APDO2:3.3-21V/2.25A |
Class B |
|
| 所有型號都能自定義 | |||
XPD911多口充協議芯片係列用於100W和100W以內多口互聯市場,輸入電壓有動態調整模式、固定模式 (XPD911NC/XPD911NA/XPD911AA)等類型,XPD911NA 典型應用於互聯 2C2A,XPD911NC 與 XPD911NA應用於互聯 3C1A、內置多種快充協議,支持多口應用智能降低輸出功率,內置完善的保護功能,適用於車充和快充以及插排應用等領域,更多XPD911芯片係列規格書及相關應用資料請向我們申請。>>
阿裏巴巴店鋪
關注驪微
收藏驪微










