推薦產品
聯係我們
RAYBET雷竞技app
電話:0755-23087599
手機:13808858392
郵箱:dunianhua@leweitech.com
地址:深圳市寶安區西鄉鶴洲恒豐工業城B11棟5樓東
XPD938 65W A加C雙口協議識別芯片
所屬分類:FM/富滿係列
品牌:FM/富滿
型號:XPD938
封裝:TSSOP20/QFN4X4-20
功率:65W
電流:3A/1.5A
型號:XPD938
封裝:TSSOP20/QFN4X4-20
功率:65W
電流:3A/1.5A
訂購熱線:0755-23087599
XPD938 A加C雙口協議識別芯片是一款集成 USB Type-C、USB Power Delivery(PD)2.0/3.0 以及 PPS、QC3.0+/QC3.0/QC2.0 快充協議、華為 FCP/SCP/HVSCP 快充協議、三星 AFC 快充協議、BC1.2 DCP 以及蘋果設備 2.4A 充電規範的多功能 USB Type-C 和 Type-A 雙端口控製器。
XPD938 內置的 Type-C 協議可以支持 Type-C 設備插入自動喚醒,智能識別插頭的正插與反插,並實現連接。XPD938 集成的 PD 協議支持雙向標記編碼(BMC),集成硬件的物理層協議和協議引擎,無需軟件參與編解碼。
當 Type-C 和 Type-A 其中一個端口接入設備,Type-C 或 Type-A 端口都可以實現獨立的快充功能。當 Type-C 和 Type-A 都接入設備時,XPD938 會將輸出電壓降至 5V 給設備供電,其中 Type-C 端口 PD 隻廣播 5V/3A,保留 BC1.2 以及 Apple 2.4A,而 Type-A 端口則隻保留 Apple 2.4A。特別的,當 Type-A 口一直連接蘋果充電線但未接入蘋果手機時,Type-C 口仍然有快充功能。作為充電器應用時,充電線會經常與充電器連接在一起。
XPD938 解決了 Type-A 和 Type-C 口連接充電線應用時的快充難題。此外,Type-A 口充飽關斷電流閾值低至 10mA,可支持智能穿戴設備小電流充電。
XPD938 通過一路可 Sink/Source 的電流源,連接到 AC-DC 或 DC-DC 的反饋引腳實現動態調節電壓。不管是啟動還是調壓過程,都具備軟啟動功能,實現電壓平順過渡。
XPD938 內部集成 CC 環路控製,在共享電源下可以有效的控製總電流緩解前端電源壓力,XPD938 支持二次燒錄,可實現在線升級。
XPD938 內建多種保護機製確保設備安全:包括動態過壓/欠壓/過流保護(可根據設備請求的工作電壓/電流按照比例調整保護點);啟動監測(VBUS 輸出前會監測端口電壓是否處於安全狀態)。
XPD938 集成 10mΩ VBUS 功率開關管,集成 10 mΩ 電流檢測電阻,內置 VPWR 和VBUS 雙放電通路,節省了外圍器件,發生錯誤時可以快速關閉輸出並恢複到安全狀態。
XPD938 A加C雙口協議識別芯片采用 TSSOP20 和 QFN4X4-20 兩種封裝,外圍簡潔,很容易通過 USB PD 認證測試。
XPD938芯片特性
■ 通過 USB PD3.0 認證(TID:5594)
■ 支持 USB Type -C 協議
- 配置為 DFP(Source)
- 廣播 3A/1.5A 電流
■ 支持 USB Power Delivery(PD)2.0 和 3.0以及 PPS 協議
- 集成完整 PD 分層通信協議
- PDO 可配置:5V,9V,12V,15V,20V
- 輸出功率高至 65W
- APDO 可配置:5V Prog,9V Prog,15VProg,20V Prog
■ 支持 Quick Charge 3.0+/3.0/2.0 協議
- 支持小米 CHARGE TURBO 27W 協議
■ 支持華為 FCP/SCP/HVSCP 協議
■ 支持三星 AFC 協議
■ 支持 VOOC 2.0 協議
■ 支持 USB BC1.2 DCP
■ 支持 Apple 2.4A 充電規範
■ 集成 CC、CV 環路控製
■ 集成 10mΩ VBUS 通路功率開關管
■ 集成 10mΩ電流檢測電阻
■ 內置 VPWR 和 VBUS 雙放電通路
■ 支持線損補償功能
■ 支持 USB Type-A 和 Type-C 雙口工作模式
- 獨立工作都有快充,同時工作回 5V
- A 口連接蘋果充電線但未接入蘋果手機時,C 口仍然有快充
■ A 口充飽關斷電流閾值 10mA,小電流充電
■ 支持在線升級
■ 安全性
- 過壓/欠壓保護
- 過流保護
- 過溫保護
■ CC1/CC2/DP1/DM1/DP2/DM2 過壓保護
■ ESD 特性± 4KV
■ Package: TSSOP-20 和 QNF4x4-20
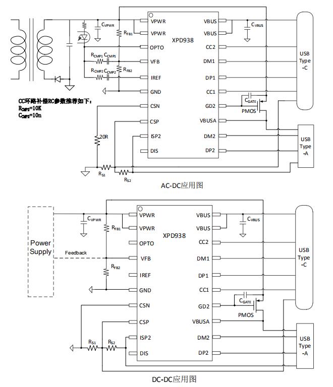
典型應用電路圖

應用領域
■ AC-DC 適配器
■ USB 充電設備
XPD938芯片係列訂購信息
| 料號 | USB Type-C 端口 PDO 和 APDO 配置 | QC 配置 | 封裝 |
| XPD938A | PDO : 5V/3A, 9V/2.22A | ClassA |
TSSOP20 2.5K/盤 |
| XPD938B | PDO : 5V/3A, 9V/2.22A, 12V/1.67A | ClassA | |
|
XPD938BP |
PDO : 5V/3A, 9V/2.22A, 12V/1.67A APDO1 : 3.3-5.9V/3A APDO2 : 3.3-11V/1.8A |
ClassA |
|
|
XPD938APS25 |
PDO : 5V/3A, 9V/2.77A APDO1 : 3.3-5.9V/3A APDO2 : 3.3-11V/2.25A |
ClassA |
|
|
XPD938APS30 |
PDO : 5V/3A, 9V/2.77A APDO1 : 3.3-5.9V/3A APDO2 : 3.3-11V/2.75A |
ClassA |
|
| XPD938D30 | PDO : 5V/3A, 9V/3A, 12V/2.5A, 15V/2A, 20V/1.5A | ClassB | |
|
XPD938DP30 |
PDO : 5V/3A, 9V/3A, 12V/2.5A, 15V/2A, 20V/1.5A APDO1 : 3.3-11V/3A APDO2 : 3.3-16V/2A |
ClassB |
|
| XPD938D45 | PDO : 5V/3A, 9V/3A, 12V/2.5A, 15V/3A,20V/2.25A | ClassB | |
|
XPD938DP45 |
PDO : 5V/3A, 9V/3A, 12V/3A, 15V/3A, 20V/2.25A APDO1 : 3.3-11V/3A APDO2 : 3.3-21V/2.15A |
ClassB |
|
| XPD938D60 | PDO : 5V/3A, 9V/3A, 12V/2.5A, 15V/3A, 20V/3A | ClassB | |
|
XPD938DP60 |
PDO : 5V/3A, 9V/3A, 12V/3A, 15V/3A,20V/3A APDO1 : 3.3-11V/3A APDO2 : 3.3-21V/2.85A |
ClassB |
|
| 可定製 | 可定製 | ||
| XPD938QXXXXX | 參考相應的 TSSOP20 封裝 |
QFN20 4K/盤 |
XPD938係列A加C雙口協議識別芯片有TSSOP20和QFN4X4-20兩種封裝,輸出功率高至 65W,是USB Type-C PD 和 Type-A 雙口控製器,單顆芯片 XPD938 可實現 1C1A 模式,有助於節省外圍元件數量,簡化電路,降低成本,廣泛應用於65W和65W以內A+C(共享電源)過認證市場,可兼容代換IP2738、 SW2305、FP6606AC,更多XPD938芯片係列規格書及相關應用資料請向我們申請。>>
阿裏巴巴店鋪
關注驪微
收藏驪微










