推薦產品
聯係我們
RAYBET雷竞技app
電話:0755-23087599
手機:13808858392
郵箱:dunianhua@leweitech.com
地址:深圳市寶安區西鄉鶴洲恒豐工業城B11棟5樓東
XPD977 65W快充協議芯片2A+C 三端口控製器
所屬分類:FM/富滿係列
品牌:FM/富滿
型號:XPD977
封裝:QFN5X5-32
功率:65W
電流:5V,9V,12V,15V,20V
型號:XPD977
封裝:QFN5X5-32
功率:65W
電流:5V,9V,12V,15V,20V
訂購熱線:0755-23087599
XPD977 65W和65W以內快充協議芯片係列是XPD-LINK™互聯USB 三端口控製器,將傳統協議芯片外置的VBUS開關管和電流取樣電阻集成在協議芯片內部,並且集成了A口的快充協議功能以及用於多口協議分配的單片機芯片,支持一個USB-C、兩個USB-A接口,並且每個接口都支持快充輸出的的快充協議芯片,將傳統多顆協議芯片才能完成的功能整合成一顆芯片,簡化充電器的開發並降低成本。
XPD977芯片特性
■ 通過 USB PD3.0 認證(TID:5594)
■ 支持 XPD-LINKTM多芯片互聯通信技術
■ 支持 USB Type-C 協議
■ 支持 USB Power Delivery(PD)3.0 以及PPS 協議
- PDO 可配置:5V,9V,12V,15V,20V
- 輸出功率高至 65W
- APDO 可配置:5V Prog,9V Prog,15V Prog,20V Prog
■ 支持 Quick Charge 2.0/3.0/3.0+協議
- 支持小米 CHARGE TURBO 27W 協議
■ 支持華為 FCP/SCP/HVSCP 協議
- 支持華為 10V 高壓 SCP 協議
■ 支持三星 AFC 協議
■ 支持 VOOC 2.0 協議
■ 支持 USB BC1.2 DCP
■ 支持 Apple 2.4A 充電規範
■ 集成 CC、CV 控製環路
■ 集成 10mΩ VBUS 通路功率開關管
■ 集成 10mΩ電流檢測電阻
■ 內置 VPWR 和 VBUS 雙放電通路
■ 支持線損補償功能
■ 支持 USB Type-A 和 Type-C 雙口工作模式
-獨立工作都有快充,同時工作回 5V
- A 口連接蘋果充電線但未接入蘋果手機時,C 口仍然有快充
■ A 口充飽關斷電流閾值 10mA,小電流充電
■ 支持在線升級
■ 安全性
- A 口采用電源端控製避免短路引發漏電
- 過壓/欠壓保護
- 過流保護
- 過溫保護
■ CC1/CC2/DP1/DM1/DP2/DM2 過壓保護
■ ESD 特性±4KV
■ Package:QFN5X5-32
引腳封裝定義

XPD977係列概述
XPD977 是一款集成 USB Type-C、USB Power Delivery(PD) 3.0/2.0 以及 PPS、QC3.0/2.0CLASS B 快充協議、華為 FCP/SCP 快充協議、三星 AFC 快充協議、VOOC 2.0 快充協議、BC1.2 DCP 以及蘋果設備 2.4A 充電規範的多功能 USB 三端口控製器,為 AC-DC適配器、移動電源、車載充電器等設備提供完整的 Type-C 和 Type-A 三端口充電解決方案。
XPD977集成了 XPD-LINK™互聯通信技術。通過 XPD-LINK™互聯功能,XPD977 可以簡單靈活的應用在多個 Type-C 和 Type-A 端口的充電方案中。
內置的TYPE-C 協議可以支持 TYPE-C 設備插入自動喚醒係統,智能識別插頭的正插與反插,並實現連接。集成的 TYPE-C PD3.0 協議支持雙向標記編碼(BMC),集成硬件的物理層協議和協議引擎,無需軟件參與編解碼。 當 Type-C 和 Type-A 其中一個端口接入設備時,Type-C 或 Type-A 端口都可以實現獨立的快充功能。當 Type-C 和 Type-A 都接入設備時,XPD977 會將輸出電壓降至 5V 給設備供電,其中 Type-C 端口 PD 隻廣播 5V/3A,保留 BC1.2 以及 Apple 2.4A,而 Type-A 端口則隻保留 Apple 2.4A。特別的,當 Type-A 口一直連接蘋果充電線但未接入蘋果手機時,Type-C 口仍然有快充功能。作為充電器應用時,充電線會經常與充電器連接在一起。
完美解決了 Type-A 和 Type-C 口連接充電線應用時的快充難題。此外,Type-A 口充飽關斷電流閾值低至 10mA,可支持智能穿戴設備小電流充電。
XPD977 通過一路可 Sink/Source 的電流源,連接到 AC-DC 或 DC-DC 的反饋引腳實現動態調節電壓的功能,不管是啟動還是調壓過程,都具備軟啟動/調壓功能,實現電壓平順過渡。
XPD977 內部集成 CC 環路控製,在共享電源下可以有效的控製總電流緩解前端電源壓力,支持二次燒錄,可實現在線升級。
內建多種保護機製確保設備安全:包括動態過壓/欠壓/過流保護(可根據設備請求的工作電壓/電流按照比例調整保護點);啟動監測(VBUS 輸出前會監測端口電壓是否處於安全狀態)。
XPD977 集成 10mΩ VBUS 通路功率開關管和內部放電通路,節省了外圍器件,在發生錯誤時可以快速關閉輸出並恢複到安全狀態。
采用 QFN5x5-32 封裝。應用中外圍電路非常簡潔,可以輕鬆通過 USB PD 認證測試。
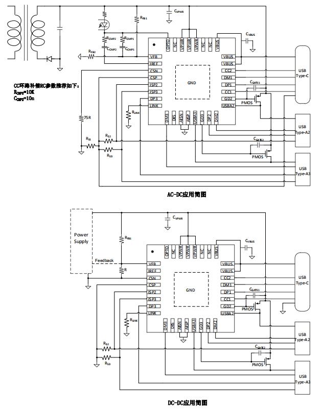
典型應用電路圖

應用領域
■ AC-DC 適配器
■ 帶 USB 端口排插
■ USB 多口充電設備
XPD977芯片係列訂購信息
| 料號 | USB Type-C 端口 PDO 和 APDO 配置 | QC 配置 | 包裝 |
| XPD977B18 | 高功率 PDO:5V/3A, 9V/2A, 12V/1.5A | Class A |
QFN32 5K/盤 |
| 低功率 PDO:5V/3A | |||
|
XPD977BP18 |
高功率 PDO:5V/3A, 9V/2A, 12V/1.5A 高功率 APDO1:3.3-5.9V/3A 高功率 APDO2:3.3-11V/1.65A 低功率 PDO:5V/3A |
Class A |
|
| XPD977A |
高功率 PDO:5V/3A, 9V/2.22A 低功率 PDO:5V/3A |
Class A | |
| XPD977B |
高功率 PDO:5V/3A, 9V/2.22A, 12V/1.67A 低功率 PDO:5V/3A |
Class A | |
| XPD977BV | 高功率 PDO:5V/3A, 9V/2.22A, 12V/1.67A 支持 VOOC | Class A | |
| 低功率 PDO:5V/3A | |||
| XPD977D30A |
高功率 PDO:5V/3A,9V/3A,12V/2.5A,15V/2A,20V/1.5A 低功率 PDO:5V/3A |
Class B | |
| XPD977D30 |
高功率 PDO:5V/3A,9V/3A,12V/2.5A,15V/2A,20V/1.5A 低功率 PDO:5V/3A, 9V/1.75A |
Class A | |
|
XPD977DP30 |
高功率 PDO:5V/3A,9V/3A,12V/2.5A,15V/2A,20V/1.5A 高功率 APDO1:3.3-11V/3A 高功率 APDO2:3.3-16V/2A 低功率 PDO:5V/3A, 9V/1.75A |
Class A |
|
| XPD977D45 |
高功率 PDO:5V/3A,9V/3A,12V/3A,15V/3A,20V/2.25A 低功率 PDO:5V/3A, 9V/2.5A, 12V/2A, 15V/1.5A |
Class A | |
|
XPD977DP45 |
高功率 PDO:5V/3A,9V/3A,12V/3A,15V/3A,20V/2.25A 高功率 APDO1:3.3-11V/3A 高功率 APDO2:3.3-16V/2.8A 低功率 PDO:5V/3A, 9V/2.5A, 12V/2A, 15V/1.5A 低功率 APDO1:3.3-11V/2A 低功率 APDO2:3.3-16V/1.4A |
Class A |
|
| XPD977D60 |
高功率 PDO:5V/3A, 9V/3A, 12V/3A, 15V/3A, 20V/3A 低功率 PDO:5V/3A,9V/3A,12V/2.5A,15V/2A,20V/1.5A |
Class B | |
|
XPD977DP60 |
高功率 PDO:5V/3A, 9V/3A, 12V/3A, 15V/3A, 20V/3A 高功率 APDO1:3.3-16V/3A 高功率 APDO2:3.3-21V/2.85A 低功率 PDO:5V/3A,9V/3A,12V/2.5A,15V/2A,20V/1.5A 低功率 APDO1:3.3-16V/1.9A 低功率 APDO2:3.3-21V/1.4A |
Class B |
|
| XPD977D65 |
高功率 PDO:5V/3A,9V/3A,12V/3A,15V/3A,20V/3.25A 低功率 PDO:5V/3A,9V/3A,12V/2.5A,15V/2A,20V/1.5A |
Class B | |
|
XPD977DP65 |
高功率 PDO:5V/3A,9V/3A,12V/3A,15V/3A,20V/3.25A 高功率 APDO1:3.3-16V/3.25A 高功率 APDO2:3.3-21V/3A 低功率 PDO:5V/3A,9V/3A,12V/2.5A,15V/2A,20V/1.5A 低功率 APDO1:3.3-16V/2A 低功率 APDO2:3.3-21V/1.5A |
Class B |
|
| XPD977D6545 |
高功率 PDO:5V/3A,9V/3A,12V/3A,15V/3A,20V/3.25A 低功率 PDO:5V/3A,9V/3A,12V/3A,15V/3A,20V/2.25A |
Class B | |
|
XPD977DP6545 |
高功率 PDO:5V/3A,9V/3A,12V/3A,15V/3A,20V/3.25A 高功率 APDO1:3.3-16V/3.25A 高功率 APDO2:3.3-21V/3A 低功率 PDO:5V/3A,9V/3A,12V/3A,15V/3A,20V/2.25A 低功率 APDO1:3.3-16V/2.8A 低功率 APDO2:3.3-21V/2.1A |
Class B |
|
| XPD977D6518 |
高功率 PDO:5V/3A,9V/3A,12V/3A,15V/3A,20V/3.25A 低功率 PDO:5V/3A,9V/2A,12V/1.5A |
Class A |
XPD977芯片係列采用QFN5*5-32封裝,支持最高輸出 65W,單顆芯片 XPD977 實現 1C2A 模式,用於2A1C三口輸出時,外圍僅需增添對應的PMOS以及電流取樣電阻即可實現多口快充協議支持,更多快充協議芯片18W-100W選型技術方案產品手冊及相關應用資料請向RAYBET雷竞技下载苹果
申請。>>
阿裏巴巴店鋪
關注驪微
收藏驪微










