推薦產品
聯係我們
RAYBET雷竞技app
電話:0755-23087599
手機:13808858392
郵箱:dunianhua@leweitech.com
地址:深圳市寶安區西鄉鶴洲恒豐工業城B11棟5樓東
XPM5218 18W USB PD多協議降壓芯片
所屬分類:FM/富滿係列
品牌:FM/富滿
型號:XPM5218
封裝:ESOP8
功率:18W
電流:5V/2.4A、5V/3A、9V/2A、12V/1.5A
型號:XPM5218
封裝:ESOP8
功率:18W
電流:5V/2.4A、5V/3A、9V/2A、12V/1.5A
訂購熱線:0755-23087599
XPM5218 USB PD多協議降壓芯片采用 ESOP8 封裝,是一款集成開關管的同步降壓轉換器,支持 USB Type-C 和 PD 等多種快速 充電協議,為車載充電器、各種快充適配器、智能排插等供電設備提供完整的解決方案。
XPM5218 支持多種快速充電協議,包括 USB Type-C 和 PD 協議,高通 QC2.0/3.0,華為 FCP/SCP,三星 AFC,USB BC1.2 DCP 以及 Apple 2.4A 充電規範。
XPM5218 支持寬輸入電壓範圍,6.6V 至 36V。輸出電壓範圍是 3.6V 至 12V,並依據充電協議自行調整,提供最大 18W 的輸出功率。XPM5218A 的 PDO 配置為 5V/3A、9V/2A,XPM5218B 的 PDO 配置為 5V/3A、9V/2A、12V/1.5A。
XPM5218 采用 PWM 電流模控製方式,能快速響應負載瞬態變化。XPM5218 的開關頻率為 150KHz,特有的抖頻技術能夠減小 EMI,幫助客戶通過認證。
XPM5218 的輸出具有恒壓恒流特性。當輸出電流小於限定值時,處於恒壓模式;當輸出電流達到限定值時,處於恒流模式。輸出電壓具有線補功能,隨著輸出電流的增大會相應提高輸出電壓,用以補償充電線纜內阻引起的電壓下降。
XPM5218 具備非常高的可靠性,輸入耐壓高至 42V,所有引腳 ESD 超過 8KV。同時具有多種保護功能:輸入過壓、欠壓保護,輸出過流、過壓、欠壓、短路打嗝保護等。
xpm5218降壓協議芯片特性
■ 輸入耐壓 42V
■ 支持 USB Type -C 協議
- 配置為 DFP(Source) - 廣播 3A 電流
■ 支持 USB Power Delivery(PD)3.0 協議
- 集成完整 PD3.0 分層通信協議
- PDO 電壓:5V,9V(XPM5218A)
- PDO 電壓:5V,9V,12V(XPM5218B)
■ 支持 Quick Charge 3.0/2.0 協議
■ 支持華為 FCP/SCP 協議
■ 支持三星 AFC 協議
■ 支持 USB BC1.2 DCP
■ 支持 Apple 2.4A 充電規範
■ 同步開關降壓轉換器
- 內置功率 MOSFET
- 輸入電壓範圍:6.6V 到 36V
- 輸出電壓範圍:3.6V 到 12V
- 輸出電流:5V/3A,9V/2A,12V/1.5A
- 輸出 5V/3A 轉換效率大於 92% - 輸出電壓線補:100mV/A
- 輸出具有 CV/CC 特性
- 內置補償電路 - 軟啟動功能
- 特有抖頻技術減小 EMI
■ 多重保護、高可靠性
- 輸入過壓、欠壓保護
- 輸出過壓、過流保護
- 短路保護
- 過溫保護
- 全引腳 ESD 8KV
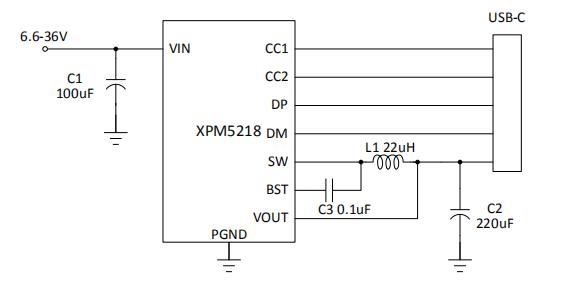
應用電路圖

xpm5218芯片應用領域
■ 車載充電器
■ 快充適配器
■ 智能排插
■ 通用高壓USB充電器
XPM5218 18W USB PD多協議降壓芯片,XPM5218A PDO 配置為5V/3A, 9V/2A;XPM5218B PDO 配置為5V/3A, 9V/2A, 12V/1.5A;XPM5218A2 PDO 配置為5V/2.4A, 9V/2A;XPM5218B2 PDO 配置為5V/2.4A, 9V/2A, 12V/1.5A更多xpm5218降壓協議芯片產品手冊及應用資料請向RAYBET雷竞技下载苹果
申請。>>
阿裏巴巴店鋪
關注驪微
收藏驪微










