推薦產品
聯係我們
RAYBET雷竞技app
電話:0755-23087599
手機:13808858392
郵箱:dunianhua@leweitech.com
地址:深圳市寶安區西鄉鶴洲恒豐工業城B11棟5樓東
CR6248是一款高精度CC/CV原邊檢測PWM開關,待機功耗小於 75mW。集成了多種功能和保護特性,包括欠壓鎖定(UVLO),VDD 過壓保護(OVP),軟啟動,過溫保護(OTP),逐周期電流限製(OCP),CS 引腳懸空保護,輸出短路保護,內置前沿消隱電路,使得CR6248 12w原邊芯片具有更高的可靠性。
CR6248 12w原邊芯片內部采用了多模式控製的效率均衡技術,用於優化芯片係統待機功耗和提升效率,同時采用了初級電感量補償技術和內部集成的輸出線電壓補償技術,保證了芯片在批量生產過程中CC/CV 輸出精度,內置的全電壓功率自適應補償技術保證了係統在全電壓範圍(90V~264V)內輸出恒定的功率。
cr6248電源ic特點
■ 高精度 CC/CV 控製,無需光耦和 TL431
■ 內置 650V 功率開關 MOSFET
■ 低的啟動電流:5uA(Typ)
■ 低的工作電流:1mA(Typ)
■ 內置軟啟動功能
■ 內置前沿消隱電路(LEB)
■ 內置優化 EMI 特性電路
■ 內置全電壓功率自適應補償功能
■ 內置初級電感量偏差補償功能
■ 內置輸出線壓降補償
■ 內置多重保護功能
■ DIP-8L綠色封裝
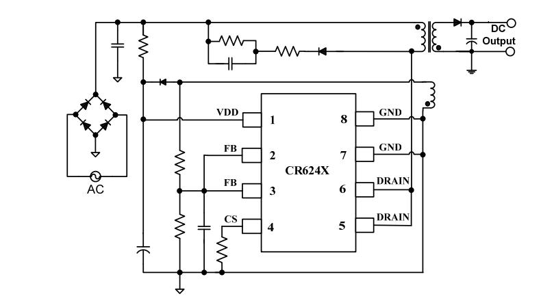
cr6248引腳分布及描述


CR6248電源電路圖

應用領域
■ 小功率電源適配器
■ 蜂窩電話充電器
■ 數碼相機充電器
■ 電腦和服務器輔助電源
■ 替代線性調整器和RCC
CR6248 采用DIP-8L封裝,230VAC 15%應用功率≤15W,90-265VAC應用功率≤13W,管腳及功能與OB2530基本一致,可兼容代換OB2530,被廣泛應用於手機、無繩電話、PDA、數碼相機等電池充電器、小功率適配器、PC、TV 等輔助電源、線性電源/RCC 替換等領域,更多12w原邊芯片CR6248_5V2.4A、CR6248_12V1A充電器/適配器方案產品手冊、應用設計指導書等資料請向啟辰微代理RAYBET雷竞技下载苹果
申請。>>
阿裏巴巴店鋪
關注驪微
收藏驪微










