推薦產品
聯係我們
RAYBET雷竞技app
電話:0755-23087599
手機:13808858392
郵箱:dunianhua@leweitech.com
地址:深圳市寶安區西鄉鶴洲恒豐工業城B11棟5樓東
SD4931電流控製器描述
SD4931是用於開關電源的內置100V高壓MOSFET的電流模式PWM控製器。
SD4931電流控製器內置高壓啟動電路。在輕載下會進入打隔模式,從而有效地降低係統的待機功耗。具有降頻功能,進一步優化輕載條件下的轉換效率。具有軟啟動功能,能夠減小器件的應力,防止變壓器飽和。有VDD打隔功能,不僅防止VDD欠壓重啟,也有效地降低待機功耗。
SD4931電流控製器內部還集成了各種異常狀態的保護功能,包括:VDD欠壓保護,VDD過壓保護,前沿消隱,輸出短路保護,過流保護,過溫保護等。觸發保護後,電路會不斷自動重啟,直到係統正常為止。
SD4931管腳排列圖

SD4931管腳描述
| 管腳號 | 管腳名稱 | I/O | 管腳描述 |
| 1,2 | SOURCE | I/O | 功率MOSFET源極和控製電路的參考地 |
| 3 | FB | I | 反饋輸入端 |
| 4 | VDD | I/O | 控製電路的供電電源 |
| 5,6,7,8 | DRAIN | I/O | 功率MOSFET漏極 |
SD4931電流控製器主要特點
·20V至100V輸入電壓
·12~15V輸出電壓
·1A輸出電流
·高壓啟動
·輕載打啊
·降頻
·軟啟動
·VDD打啊
·VDD欠壓保護
·VDD過壓保護
·前沿消隱
·輸出短路保護
·過流保護
·過溫保護
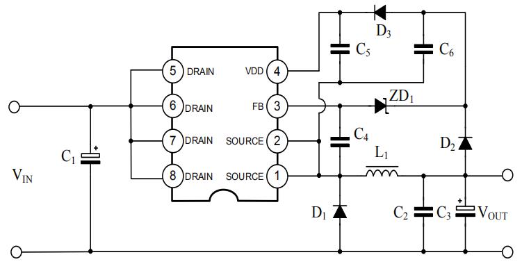
SD4931典型電路圖

SD4931電流控製器應用領域
·平衡輪
·以太網供電
·電動自行車
·電動工具
更多SD4931 100VSD4931 100V電流控製器產品手冊及相關資料,可谘詢RAYBET雷竞技下载苹果
。
阿裏巴巴店鋪
關注驪微
收藏驪微










