推薦產品
聯係我們
RAYBET雷竞技app
電話:0755-23087599
手機:13808858392
郵箱:dunianhua@leweitech.com
地址:深圳市寶安區西鄉鶴洲恒豐工業城B11棟5樓東
SD4938 150V電流型PWM控製芯片
所屬分類:raybetvip
品牌:士蘭微
型號:SD4938
封裝:SOP-8
功率:12V/15V/18V
電流:0.5A
型號:SD4938
封裝:SOP-8
功率:12V/15V/18V
電流:0.5A
訂購熱線:0755-23087599
SD4938描述
SD4938是用於開關電源的內置150V高壓MOSFET的電流模式PWM控製器。
SD4938電流型PWM控製芯片內置高壓啟動電路。在輕載下會進入打隔模式,從而有效地降低係統的待機功耗。具有降頻功能,進一步優化輕載條件下的轉換效率。具有軟啟動功能,能夠減小器件的應力,防止變壓器飽和。
SD4938電流型PWM控製芯片內部還集成了各種異常狀態的保護功能,包括:VDD欠壓保護,VDD過壓保護,前沿消隱,輸出過載保護,過流保護,過溫保護等。觸發保護後,電路會不斷自動重啟,直到係統正常為止。
SD4938主要特點
·20V至150V輸入電壓
·12V,15V,18V輸出電壓三檔可調
·0.5A輸出電流
·高壓啟動
·輕載打嗝
·降頻
·軟啟動
·VDD欠壓保護·VDD過壓保護
·前沿消隱
·輸出過載保護
·過流保護·過溫保護
SD4938管腳排列圖

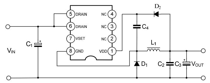
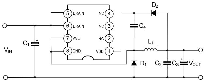
SD4938管腳描述
| 管腳號 | 管腳名稱 | I/O | 管腳描述 |
| 1 | VDD | I/O | 控製電路的供電電源 |
| 2,3,4 | NC | NC | 無連接 |
| 5,6 | DRAIN | O | 功率MOSFRT漏極 |
| 7 | VSET | I | 用於設置不同的輸出電壓,懸空時輸出12V,接地時輸出15V,接51K電阻到地輸出18V。 |
| 8 | GND | G | 功率MOSFET源極和控製電路的參考地 |
SD4938典型應用電路圖
12V/0.3A輸出時應用線路圖
15V/0.3A輸出時應用線路圖
18V/0.3A輸出時應用線路圖
SD4938應用領域
·平衡輪
·以太網供電
·電動自行車
·電動工具
更多SD4938 150V電流型PWM控製芯片產品的詳細手冊及方案相關資料,可聯係RAYBET雷竞技下载苹果
在線客服申請。
阿裏巴巴店鋪
關注驪微
收藏驪微









