推薦產品
聯係我們
RAYBET雷竞技app
電話:0755-23087599
手機:13808858392
郵箱:dunianhua@leweitech.com
地址:深圳市寶安區西鄉鶴洲恒豐工業城B11棟5樓東
SD8525H描述:
SD8525H是一款內置MOS的高性能,快速關斷的同步整流控製芯片。在高性能隔離型電源拓撲應用中替代肖特基二極管,以提髙係統效率。可配合原邊芯片工作在CCM、DCM、QR多種工作模式。
SD8525H采用內置VCC供電技術,集成高壓供電和輸出供電兩種供電方式。內置斜率檢測功能,防止在諧振階段的誤導通。同時兼容高側端應用和低側端應用。
SD8525H采用SOP8貼片封裝。
SD8525H主要特點:
◆內置100V,10mΩ高性能MOS
◆兼容高側端和低側端同步整流應用
◆兼容DCM,CCM,QR多種應用模式
◆斜率檢測功能,防止在諧振階段的誤導通
◆內置高壓端VCC供電和輸出端VCC供電技術
◆250μA低待機電流
◆SOP8封裝
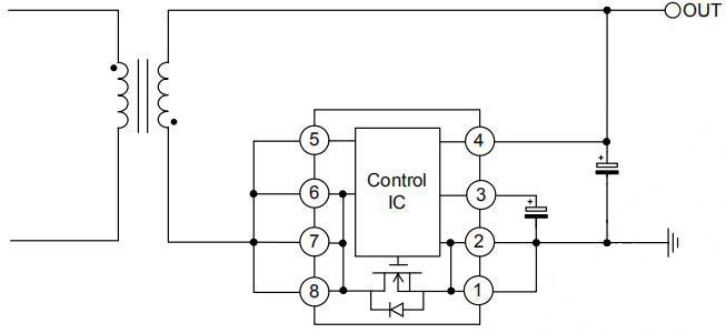
管腳排列圖:

管腳說明:
如果需要SD8525H同步整流控製芯片12V3A適配器方案詳細手冊或原理圖,電源輸入輸出規格,BOM 表和變壓器參數等詳細資料的,請向我們申請。
| 管腳號 | 管腳名稱 | I/O | 功能描述 |
| 1,2 | VSS | G | 芯片地和功率MOS管源端 |
| 3 | VCC | P | 芯片電源 |
| 4 | VO | I | 輸出供電端 |
| 5 | VD | I | 漏端電壓檢測端 |
| 6,7,8 | DRAIN | I | 功率MOS管漏端 |
SD8525H典型應用圖
低側端應用:

高側端應用:

應用領域:
◆充電器
◆適配器
阿裏巴巴店鋪
關注驪微
收藏驪微









