推薦產品
聯係我們
RAYBET雷竞技app
電話:0755-23087599
手機:13808858392
郵箱:dunianhua@leweitech.com
地址:深圳市寶安區西鄉鶴洲恒豐工業城B11棟5樓東
SF6772產品特點:
SF6772是準諧振(QR)模式的高精度原邊反饋控製(PSR)恒壓恒流(CV/CC)控製器。該係列驅動外部功率MOS管,非常適合低成本小功率充電器、適配器、和 LED照明場合。
SF6772是準諧振(QR)模式的高精度原邊反饋控製(PSR)恒壓恒流(CV/CC)控製器。該係列驅動外部功率MOS管,非常適合低成本小功率充電器、適配器、和 LED照明場合。
SF6772采用專利super-QR/PSRTM控製技術大大提升了PSR係統的效率,同時能夠輕易滿足六級能效的要求。該係列還采用專利的“多模式PSR”控製,可實現小於 ±5%的恒壓恒流精度。
SF6772內部自動補償輸入電壓、電感感量變化。在恒壓模式下內置了專利的線電壓補償。該係列集成了諸多保護功能,比如:VDD欠壓保護(UVLO),VDD過壓 保護,軟啟動,逐周期過流保護,管腳浮空保護,VDD電壓鉗位保護等
SF6772提供小體積的SOP8封裝 。
SF6772產品特點:
能夠容易滿足六級能效的要求
內置600V功率MOSFET
小於70mW的開啟電壓
集成了專利的“零電壓帶載啟動”技術大大減小了係統OCP恢複間隙
集成了專利的“智能短路保護”技術
原邊反饋(PSR)控製,無需光耦和TL431
專利的super-QR/PSRTM控製技術
±5%的恒壓恒流精度
內置專利的線損電壓補償
內置軟啟動,超低啟動電流,管腳浮空保護
自動補償輸入電壓、電感感量變化,實現高精度
輸出過壓保護
逐周期電流限製,內置前沿消隱
VDD欠壓保護,過壓保護及鉗位
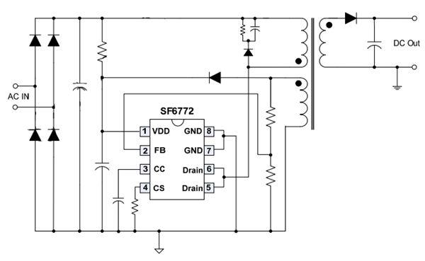
典型應用圖

典型應用圖

阿裏巴巴店鋪
關注驪微
收藏驪微










