推薦產品
聯係我們
RAYBET雷竞技app
電話:0755-23087599
手機:13808858392
郵箱:dunianhua@leweitech.com
地址:深圳市寶安區西鄉鶴洲恒豐工業城B11棟5樓東
SF6022產品描述:
SF6022是一種精度高、高度集成DCM(不連續導電模式)主麵監管(PSR)電源開關離線小功率轉換器的應用程序。它有內置的電源是機器它可以進一步降低係統成本。
SF6022是一種精度高、高度集成DCM(不連續導電模式)主麵監管(PSR)電源開關離線小功率轉換器的應用程序。它有內置的電源是機器它可以進一步降低係統成本。
SF6022內置的專有NC-Cap簡曆控製/ PSR-IITM控製消除外部補償和濾波電容器。它有內置電纜下降補償函數它可以提供優秀的簡曆的性能。IC使用多模式控製來提高效率和可靠性並降低音頻噪聲能量@輕載荷。
SF6022專有的“音頻降噪控製集成音頻噪聲自由操作。集成電路內置的“快速動態響應”控製來滿足USB充電的需求。SF6022還集成了專有的“零輸出啟動”控製來實現近零電壓啟動時輸出。IC的專有的“智能輸出短的保護”它可以保護你的係統輸出短路時大漏電感。
FB短保護SF6022集成功能和保護欠壓鎖定(UVLO)VDD過壓保護(VDD OVP)軟啟動逐周期限流((OCP)針浮保護VDD夾緊。
SF6022 SOP8封裝。
SF6022產品特點:
內置的700 v電源是機器
Propreietary“音頻降噪”控製
Bulti-in“快速動態響應”控製來滿足USB充電的需求
專有的“智能輸出短保護”不需要外部補償/過濾能力。
CC和簡曆精度±4%
專有的“零輸出啟動”控製
專有的“智能輸出短保護”
沒有外部補償/濾波電容器
馬克斯。50 v輸出AC / DC LED照明
低成本是直接驅動
專用電纜下降補償
11.7 v UVLO滯後窗口
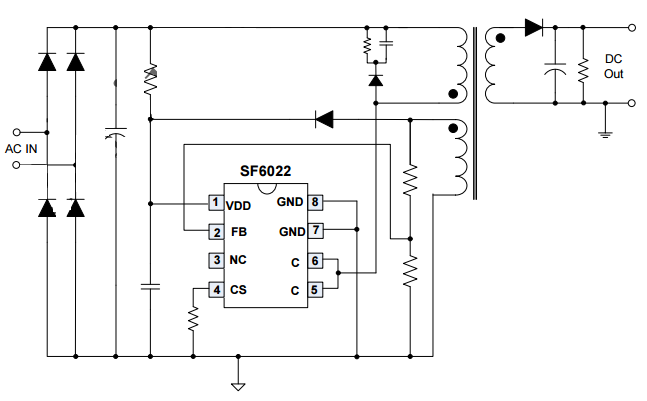
典型應用圖
yle="width: 647px; height: 401px;" />
典型應用圖
yle="width: 647px; height: 401px;" />
阿裏巴巴店鋪
關注驪微
收藏驪微










