推薦產品
聯係我們
RAYBET雷竞技app
電話:0755-23087599
手機:13808858392
郵箱:dunianhua@leweitech.com
地址:深圳市寶安區西鄉鶴洲恒豐工業城B11棟5樓東
ZXGD3103_多口充電器整流IC ZXGD3103
所屬分類:raybet雷竞
品牌:Diodes
型號:ZXGD3103
封裝:SOP8
功率:
電流:8A
型號:ZXGD3103
封裝:SOP8
功率:
電流:8A
訂購熱線:0755-23087599
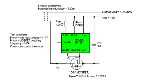
ZXGD3103產品描述:
ZXGD3103是一款反激式同步整流控製器。適用於50W以內反激式開關電源產品。(如5V 10A多口USB充電器)IC工作電壓為5~15V,5V輸出電源可以不需要輔助繞組,用VOUT直接為IC供電。
ZXGD3103是一款反激式同步整流控製器。適用於50W以內反激式開關電源產品。(如5V 10A多口USB充電器)IC工作電壓為5~15V,5V輸出電源可以不需要輔助繞組,用VOUT直接為IC供電。
可工作於斷續模式,臨界模式和連續模式。
ZXGD3103產品特點:
ZXGD3103產品特點:
探測器的閾值voltage-10mV
待機電流5V
適用於臨界模式(crcm)和連續模式(ccm)操作
5-15V vcc範圍
典型應用圖

典型應用圖

阿裏巴巴店鋪
關注驪微
收藏驪微










