推薦產品
聯係我們
RAYBET雷竞技app
電話:0755-23087599
手機:13808858392
郵箱:dunianhua@leweitech.com
地址:深圳市寶安區西鄉鶴洲恒豐工業城B11棟5樓東
XB8608AFN係列產品是一種鋰離子/聚合物電池保護的高集成解決方案。
XB8608AFN鋰電池保護芯片包含先進的功率調製器、高精度電壓檢測電路和延遲電路。
XB8608AFN采用SOP8封裝隻有一個外部組件才能使它在有限的電池組空間中成為一個理想的解決方案。
XB8608AFN具有電池應用中所需的所有保護功能,包括過充、過放電、過電流和負載短路保護等。準確的過充檢測電壓,確保充電安全、充分利用。在儲存期間,低備用電流幾乎不消耗電池中的電流。
該設備不僅適用於數字手機,也適用於任何其他需要長期電池壽命的鋰離子和鋰多電池供電的信息設備。
XB8608AFN 鋰電池保護芯片特征
■ 充電器反向連接的保護
■ 電池芯反向連接的保護
■ 將先進的功率模型與等效的16mΩRSS(ON)集成
■ SOP8封裝
■ 隻需要一個外部電容器
■ 過熱保護
■ 過充電電流保護
■ 兩步過電流檢測:1、過放電電流 2、負載短路
■ 充電器檢測功能
■ 0V蓄電池充電功能
■ 延遲時間會在內部生成
■ 高精度的電壓檢測
■ 低電流消耗量:工作模式:3.9µA典型 斷電模式:2.2μA典型
■ 符合RoHS標準,無鉛(Pb)
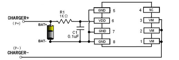
XB8608AFN腳位圖及引腳的說明

| 引腳序號 | 引腳名稱 | 引腳功能 |
| 1,2,3 | VM | 電池組的負極端子。內部FET開關將此終端連接到GND |
| 4 | NC | 無連接功能 |
| 5,7,8 | GND | 接地後,將蓄電池的負極終端連接到此針腳上 |
| 6 | VDD | 電源供應 |
XB8608AFN典型電路圖

應用領域
■ 單芯鋰離子電池組
■ 鋰基聚合物電池組
阿裏巴巴店鋪
關注驪微
收藏驪微










