反激電源管理芯片開機影響因素及改善措施
字號:T|T
關於反激電源開機,著重分析SSR與PSR電源管理芯片的啟動控製方式對開機延時時間、上升時間、輸出電壓過衝等開機指標的具體影響及改善措施。
開機指標定義:
開機延時時間Td:從輸入電壓Vac(t)接入到輸出電壓Vo建立所需要的時間,開機延時時間一般需要小於3秒。
輸出電壓上升時間Tr:輸出電壓從10%上升到90%所需的時間。
輸出電壓過衝: (Vomax-Vo)/Vo,需要小於10%限製。
開機延時時間與芯片啟動方式:
芯片啟動方式包括高壓啟動、橋前電阻啟動、橋後電阻啟動三種, 其決定了開機延時時間,並影響待機功率,對比如下表所示。

上升時間及過衝與芯片控製方式:
芯片控製方式通常包括CV控製、CC+CV控製,輸出電壓上升時間及過衝在不同控製方式下表現迥異。
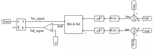
CV控製:SSR架構一般采用CV控製,簡化圖如下,可見電壓環誤差量經PI調節後為原邊開關管電流提供峰值電流參考Ipref 。

在啟機瞬態時,由於Vo尚未建立, 誤差量最大, 若不限製(軟啟動) Ipref 達最大值,可視為最大功率啟動。因而CV控製對開機指標的影響:上升時間最短,輸出電壓過衝受開環傳遞函數穿越頻率限製。
改善措施:為減小開機應力,控製芯片會加入幾ms軟啟動,在軟啟動時間內 Ipref 不受電壓環誤差影響,分多個台階逐步上升,導通時間緩慢增加:


(其中LP 為變壓器初級感量,Vg 為整流後電壓)
CC+CV控製:PSR架構一般采用CC+CV控製。如下圖所示,在啟機階段,輸出電壓尚未達到設定值時,誤差量較大,因此CC環起作用,當輸出電壓達到設定值後,CV環接管。

可見CC+CV控製啟動階段等價為恒流源 Io 對輸出電容Co 及負載Ro 充電:


因而CC+CV控製對開機指標的影響:上升時間長,輸出電壓無過衝。
改善措施:為縮短上升時間,芯朋微第四代PSR產品(如PN8395係列)在輸出電壓建立之前以最大功率啟動,從而將上升時間壓縮在數十ms以內,解決了傳統PSR控製的不足:功率越大,上升時間越長。
上一篇:充電保護ic芯片作用有哪些? 下一篇:芯片ic是怎麼製造的?
同類文章排行
- 電源芯片sdh8302s可PIN腳代換VIPER12A/AP80
- ap8022代換viper22a可兼容,不改PCB及外圍
- 什麼是MOS管的雪崩及mos管雪崩擊穿原理!
- 常用dc-dc降壓芯片推薦
- 國產電源管理芯片有哪些?
- IR4427替換芯片ID1127雙低側、大電流驅動,
- sdh8303代換viper22a/AP8012H,PIN腳兼容無
- PN555L內置690V小功率非隔離芯片可替PN8008
- 常用低壓mos管型號及選型!
- 開關電源原邊反饋(PSR)技術深度解析!
阿裏巴巴店鋪
關注驪微
收藏驪微

